
傳真:
18923864027
QQ:
709211280
地址:
深圳市福田區振中路84號愛華科研樓7層
無刷直流電機矢量控制技術,單電阻采樣介紹無刷直流電機的矢量控制中,采用分流電阻進行三相電流采樣是一種經濟成本較低、應用較成熟的方案
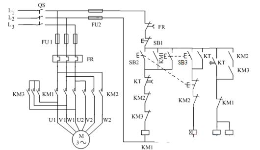
直流電機調速電路圖介紹直流電機的調速范圍廣,過載能力比較強,可以實現頻繁的無級快速啟動、制動和反轉,可以滿足生產過程中自動化系統各
變頻器怎么給電機調速,調速方法介紹變頻器給電機調速的方法,具體參考如下:針對單相輸入,3相220v輸出的小型變頻器,連接的是小功率電機,
H橋控制電機,H橋電機正反轉換控制電路介紹H橋電機控制電路所謂的H橋電路就是控制電機正反轉的。下圖①就是一種簡單的H橋電路,它由2個P型場
全橋MOS IGBT電路搭建,后端全橋電路介紹逆變電路(Inverter Circuit)是與整流電路(Rectifier)相對應,把直流電變成交流電稱為逆變。逆
單相MOS全橋逆變電路,直流電機MOS驅動電路介紹MOS驅動電路原理圖其中12的升壓電路是為了給橋臂驅動芯片IR2105供電使用。這種芯片有很多替代
數字電路,三極管與門,或門及非門實例操作詳解三極管與門、或門和非門實例與門、或門和非門是數字電路中常用的三個器件,這里以三極管為例說
邏輯電路,CMOS門電路圖文介紹CMOS門電路MOS管電平較低的一端被認為是源極。襯底和地相連。晶體管狀態由Vg控制。Vg為低電平--源極和漏極之間
電路設計為什么要加上,下拉電阻及作用介紹電路中加上拉電阻或下拉電阻的目的是確定某個狀態電路中的高電平或低電平。上、下拉電阻的作用提
數字電路,反相器基礎知識圖文介紹反相器是數字電路中最基本的門電路之一,由NMOS和PMOS組成。反相器的結構反向器由NMOS和PMOS組成,柵端(G
TTL反相器特性介紹TTL反相器是TTL電路的基本環節。TTL集成邏輯門電路的輸入和輸出結構均采用半導體三極管,所以稱晶體管—晶體管邏輯門電路
MOS管做電源開關的經驗介紹一般的電源開關電路,控制電源的目的是省電,控制靜態電流。不過以下的電路存在著幾個缺點:1 管壓降較大我們知