我們現在生活在一個以數字方式主導的世界,隨著人們嘗試更多地以自動方式控制日常生活的方方面面,未來還會沿著這個方向進一步邁進。過去,多數控制系統在很大程度上都是通過模擬方式,而當今的系統則主要依靠廣泛使用的低成本微控制器來提供靈活、且易于更新的系統級控制功能。
您可能會認為模擬設計的時代已經過去,但現實情況卻不是這樣,實際上正好相反,為了更接近于真實,控制系統必須依靠幾乎總是模擬信號的傳感器輸入。盡管業界也存在數字傳感器,但它們通常包含模擬傳感器、信號調理和模數轉換器(ADC)等子系統,因此基本上仍以模擬為基礎。因此,需要正確處理低頻模擬信號并將其提供給 ADC,將其轉換為數字域以進行后續處理,這種能力是許多設計工程師的一項關鍵要求,尤其是對于那些開發物聯網(IoT)節點等基于傳感器應用的工程師。
模擬信號鏈
典型的模擬信號鏈通常由信號源(通常為某種形式的傳感器設備)、緩沖、濾波、放大以及 ADC 組成。在將信號以高保真度轉換為數字域之前,所有這些主動元件,包括其他相關的被動組件,都在信號保持方面起著重要作用。
設計過程首先要從幅度和對噪聲的敏感性來判斷源信號的性質,大多數傳感器輸出一個直流電壓,其與測量的參數成比例,這些可以是光、溫度、壓力或其他物理參數。通常,傳感器只會產生一個相對較弱的信號,而且很容易會受到噪聲影響,并有可能破壞測量結果。因此,應將一個伴隨電路(如基于運算放大器的簡單非反相放大器)放置在盡可能靠近傳感器的位置。由于任何長度的走線都會或多或少充當天線作用,并可能拾取有害的環境噪聲,因而盡可能接近傳感器非常重要。如果某些應用必須要使用較長的走線,則必須對其進行屏蔽。
這種電路的增益由電阻的比率決定,因此,電阻值的任何差異都會對電路的增益和信號鏈中傳輸的信號幅度產生影響。在某些情況下,這可能不是主要問題,但如果成為必須要關注的問題,則需要采用公差要求嚴格的電阻。例如,為了提高精度,可以使用 Maxim MAX5491LC 等具有匹配電阻的器件,它們每個都在 SOT23 封裝內部包含兩個電阻,具有非常高的匹配度(0.035%),并且在 -40°C~+ 85°C 工作溫度范圍內具有 2ppm /°C 的低漂移。


圖 1:基于運算放大器的非反相放大器。
圖 1 所示的簡易單運算放大器電路可作為理想的緩沖器,特別是用于將來自遠端的傳感器信號沿長信號線傳輸。雖然它的配置和使用都很簡單,但是為了獲得小信號準確放大所需的高精度,需要考慮運算放大器的許多性能方面。
從理論上講,如果運算放大器的兩個輸入都處于相同的電位,則輸出應為零。實際上,情況并非如此,輸出端會存在一個很小的差值電壓,稱為輸入失調電壓(offset voltage)。如果運算放大器需要消耗太多功率才能運行,也會影響非常弱的傳感器信號(例如物聯網應用中非電池供電傳感器產生的信號)。設計人員應在傳感器信號緩沖范圍內考慮運算放大器的輸入阻抗(通常在 M 級別,因此無需過多考慮)和輸入偏置電流(運算放大器工作所需的電流)。
為了克服單個運算放大器的局限性,精密放大器通常把匹配的一對運算放大器組合在同一個封裝中。下面的電路配置通常采用雙運算放大器,例如 ADA4522 系列。


圖 2:雙運算放大器電路可以克服單運算放大器中容易出現的一些固有誤差。
上述電路經過優化,可與任何小信號傳感器配合使用,能夠提供具有零漂移的低噪聲解決方案。它的輸入偏置電流僅為 50pA,輸入失調電壓為 0.7V。對高阻抗信號的任何影響都可忽略不計,從而可以精確放大來自任何傳感器類型的信號。通過為每個輸入配置專用的運算放大器,電路的輸入阻抗由共模輸入阻抗決定,其值約為 100GΩ。由于運算放大器包含在同一封裝內部,因此從根本上消除了任何誤差或失調,從而簡化了設計高精度解決方案的工作負擔。
另一個雙運算放大器是德州儀器(TI)提供的高精度 OPA2156,該款下一代器件具有極低的失調電壓,最大為 200V,5pA 的低偏置電流,以及 3V/C 的低漂移,所有這些特性能夠確保提供具備非常低噪聲和高精度的解決方案。這種獨特的器件具有許多出眾的功能,包括能夠在電源軌之間擺動輸入和輸出,具有高帶寬(25MHz)和高轉換率(40V/s),非常適合快速運動的傳感應用。它采用 8 引腳 SOIC 封裝,能夠在 -40°C~+ 125°C 的整個工業溫度范圍內工作。


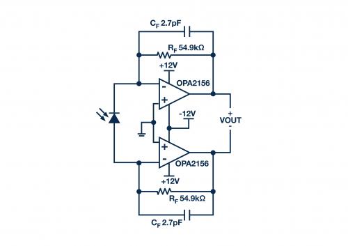
圖 3:差分光電二極管放大器的應用示例。
某些傳感器具有不同類型的輸出,可以相應地使用運算放大器不同的配置以正確放大其輸出。圖 3 所示為一個電流范圍 0A~90A 的光電二極管應用示例,其設計輸出范圍為 -5V~+5V。通過將一個電容器整合到反饋環路,可以構建一個濾波器,而不需要額外的分立濾波元件。在此示例中,采用了一個 2.7pF 電容器以提供 1MHz 的截止頻率,從而消除了不必要的高頻噪聲。在信號鏈的模擬部分之后是 ADC,它將模擬信號轉換為數字域,以進一步通過 DSP 處理或數據存儲。在努力解決了信號緩沖、濾波以及放大的麻煩之后,為應用選擇正確的 ADC 則更加重要。
數據轉換注意事項
ADC 是相對復雜的子系統,因此,必須綜合考慮許多參數,以確保能夠滿足系統總體設計目標。任何 ADC 都包括四個主要參數:分辨率、速度、精度和噪聲。分辨率通常會與準確性相混淆,但重要的是需認識到兩者是完全不同的參數。
分辨率是指為每次采樣或轉換生成的位數,它定義了可以轉換的最小信號以及可在輸出端產生明顯變化的最小增量信號。精度則定義為輸出與相應輸入的保真程度,并包括 ADC 本身的任何失調或非線性。通常,提高分辨率也會提高轉換器的精度。
在視頻處理等應用中,速度是一個很大的問題,因為通常要求以至少兩倍于源信號最高頻率的速度進行轉換。在傳感應用中,尤其是那些測量物理參數(例如溫度)的應用,速度卻幾乎不是需要關注的問題。
所有 ADC 都會生成某種形式的量化噪聲,這是轉換過程不可避免的副產物。例如,如果輸入是純正弦波,則輸出將是由一系列小步長構成的正弦波,這種非線性被稱為量化噪聲。增大分辨率將有助于減低系統中的量化噪聲。
考慮了影響信號完整性的參數后,設計人員需要查看其他設備參數,包括主機系統的數字接口和可用通道的數量,以及系統 / 應用所需的任何其他特定功能。德州儀器的 ADS1219 是一款高精度 24 位 ADC,其輸入可以配置為四個多路復用單端輸入或一對差分輸入,能夠為設計人員提供極高的靈活性。該器件僅需最少量的外部元件,其板載緩沖級(buffer stage)可直接連接到高阻抗源。它還有一個可編程增益級,用于進一步的信號調理。 ADS1219 采用 16 引腳 WQFN 或 TSSOP 封裝,內置雙線 I2C 兼容接口,允許將數據以高達 1Mbps 的速度傳輸到主機系統。
結論
模擬設計仍然是我們當今世界中非常重要的一部分。為了最大程度地利用持續提供的準確和可靠傳感數據,需要構建和保持強大的模擬信號鏈。首先要充分了解傳感器的特性,尤其是其輸出信號。模擬信號鏈會始終包括運算放大器和分立元件以及數據轉換組件。盡管設計工程師會竭盡全力地確保選擇合適的主動元器件,但必須也要同樣考慮能夠決定系統性能的被動元件。
烜芯微專業制造二極管,三極管,MOS管,橋堆等20年,工廠直銷省20%,4000家電路電器生產企業選用,專業的工程師幫您穩定好每一批產品,如果您有遇到什么需要幫助解決的,可以點擊右邊的工程師,或者點擊銷售經理給您精準的報價以及產品介紹
烜芯微專業制造二極管,三極管,MOS管,橋堆等20年,工廠直銷省20%,4000家電路電器生產企業選用,專業的工程師幫您穩定好每一批產品,如果您有遇到什么需要幫助解決的,可以點擊右邊的工程師,或者點擊銷售經理給您精準的報價以及產品介紹

